Gilera Technik III (BI4 only)

- Neu seit dem 21.03.2025

- Siehe auch die Seite: Fotos zu den Gilera Videos

- Titelbild: Motorschaden Nordwest durch abgerissene Ventile (Materialfehler)

- Die Speicherkapazität dieser Seite ist erschöpft, weiter mit Gilera Technik V

-------------------------------------------------------------------------------------

Was bedeutet eigentlich die Abkürzung BI4?
Die Saturnos haben noch den Beinahmen BIALBERO bekommen.

Zitat aus dem Internet:

"Bialbero" ist italienisch für "

Doppelbaum" und bezieht sich entweder auf den seltenen epiphytischen Baum Bialbero di Casorzo in Italien, der aus einem Maulbeer- und einem Kirschbaum besteht, oder auf italienische Motoren mit zwei Nockenwellen (italienisch: "due alberi a camme"). 

  • Bialbero di Casorzo: Ein natürliches Phänomen, bei dem ein Kirschbaum auf den Ästen eines Maulbeerbaumes wächst, wobei die Wurzeln des Kirschbaumes nach unten bis in die Erde reichen.

  • Doppel-Nockenwellen-Motoren: Ein technischer Begriff in der Automobilbranche, der einen Motor mit zwei Nockenwellen beschreibt, wie sie in historischen Rennwagen wie dem Fiat Abarth 1000 Bialbero verwendet wurden. 

    Zitatende.

    BI4 ist daher zusammen gesetzt aus dem BI von BIALBERO = Doppelnockenmotor und die 4 steht für 4 Ventile.

-------------------------------------------------------------------------------------

23.Oktober 2025:
Habe kürzlich einen Saturno Anlasser übernommen, angeblich defekt. Beim Durchmessen der Bauteile mit einem Freund stellten wir keine offensichtlichen Fehler fest. Erst auf den zweiten Blick entdeckte ich eine beschädigte Kabelummantelung einer +-Kohle mit vermutlich Kontakt zum Gehäuse. Nach akribischer Nachisolierung der recht fummelige Zusammenbau. Danach habe ich meinen „Anlasserprüfstand“ aus dem Regal geholt zwecks Funktionstest, allerdings nur Gehörtest ohne Last. Kurzerhand habe ich dann alle meine „freien“ Anlasser durchgetestet. Top Anlasser laufen wie eine Turbine (ist ja nichts anderes als ein E-Motor). Etwas „schlechtere“ Anlasser haben einen etwas „härteren“ Nebenton (Lagerspiel?). Ich denke, dies kommt bei den beiden Vids ganz gut rüber. Bei der ganzen Aktion ist mir aufgefallen, dass die 350 cc Anlasser nur einen M5 (statt M6) Stromanschluss haben.

-------------------------------------------------------------------------------------

20.Oktober 2015:
Doing silly things: Habe mir aus China einen AKRAPOVIC Replikaschalldämpfer für unter 100 € besorgt. Einschließlich Schelle, Federn und Anschweißkrampen für die Federn. Witzigerweise mit einem Akrapovic Aufkleber. Ist extrem leicht, da nix drinne. Ich musste eine Zwischenbuchse anfertigen, sowie ein Zwischenstück fpr die Rahmenbefestigung. Ist sicherlich nichts für den Straßenbetrieb (vermutlich zu laut), eher Rennstrecke.

-------------------------------------------------------------------------------------

20.Oktober 2025: Habe gestern abend noch einen zweiten Deckel gedreht mit einem etwas anderem Design. Es muss mehr Material ausgedreht werden, als eigentlich übrig bleibt. Ich muss noch prüfen ob die Späne über den "gelben Sack" entsorgt werden dürfen.

-------------------------------------------------------------------------------------

19.Oktober 2025: Bei allen meiner (deutschen) Zündschlösser fehlt die untere Plastik Abdeckkappe. Ich habe mir Rundmaterial aus dem Kunststoff POM besorgt und eine erste Kappe gedreht. Zwischen Unterkante Zündschloss und Armaturen/Verkleidungshalter sind nur 10 mm "Luft". Befestigen werde ich die Kappe an 3 Klebestellen damit man sie auch wieder bei Bedarf lösen kann.

-------------------------------------------------------------------------------------

Auch die Gummitankauflagen sind den "Umwelteinflüssen" ausgesetzt und können verspröden.

-------------------------------------------------------------------------------------

8.Oktober 2025:
Da mein Saturnoaufbau aus möglichst vielen Originalteilen bestehen soll, habe ich mir heute das Bordwerkzeug vorgenommen. Habe doch tatsächlich noch einen vollständigen Satz gefunden. Allerdings teilweise stark angerostet. Aber mit einem Lamellenschleifer und Polierleinen klappte das "Aufhübschen" relativ gut. Wieder ein Mosaiksteinchen mehr für eine Komplettierung.

-------------------------------------------------------------------------------------

7.Oktober 2025:
Die Bremskolben wurden optisch begutachtet, an einigen Stellen aufpoliert und mit Spezialfett eingesetzt. Danach die Bremszange komplettiert. Ich werde an dem Saturnoaufbau auch die originale Gummi-Bremsleitung verbauen. Der Originalzustand geht vor.

-------------------------------------------------------------------------------------

6.Oktober 2025:
Habe heute noch angefangen die originale Brembo Bremszange (P4/32D) zu zerlegen und zu begutachten. Macht einen sehr guten Eindruck. Das Restöl war sauber, die Dichtungen intakt. Die beiden Hälften sind gespült und ich lasse sie über Nacht trocknen. Morgen werde ich die Zange unter Verwendung von Neuteilen wieder zusammenbauen. Auf die Erneuerung der Dichtungen werde ich zunächst verzichten.

-------------------------------------------------------------------------------------

6.Oktober 2025:
Habe schon vor längerer Zeit mal über ein Aufhübschen der Lenkerendgewichte berichtet. Durch den Aufbau der Saturno besteht wieder Bedarf auf 2 "schöne" Gewichte. Ich habe zunächst ein Gewicht in die Drehbank gespannt, aber das Ausrichten auf Rundlauf wurde mir zu kompliziert. Ich hätte eine Art Aufspannvorrichtung anfertigen müssen. Da kam mir ein ganz einfacher Gedanke, siehe Video. Ließe sich noch optimieren, aber das Ergebnis ist prima. Jetzt noch einige Lackschichten, dann fertig zum Verbauen.

-------------------------------------------------------------------------------------

5.Oktober 2025:
Bei einer Unfallsaturno wurde u. a. am Tacho die Stellschraube des Tageskilometerzählers beschädigt, die M2 Befestigungsschraube ist abgebrochen und steckt noch mit einem Restgewinde im Messingkopf. Was tun? Nichts ist unmöglich. Mein Versuch, die Schraube auszubohren gelang relativ gut. Habe das Gewinde auf M2,5 aufgeschnitten. Die dazu benötigte Schraube ist bestellt. Die an 2 Stellen gebrochene Stellsschraube wird auch noch repariert, demnächst in diesem "Theater".

-------------------------------------------------------------------------------------

6.Oktober 2025:
Heute habe ich die Stellschraube "repariert". Diese war an 2 Stellen gerissen. Habe eine dünne Aluminiumhülse gedreht und sie mit der Stellschraube verklebt. Jetzt sitzt sie wieder satt auf der Drehachse des Tageskilometerzählers.

-------------------------------------------------------------------------------------

1. Oktober 2025:
Ich habe zuletzt sehr viele Saturnoteile übernehmen können. Das ermöglicht mir, eine weitesgehend originale Saturno aufzubauen.

-------------------------------------------------------------------------------------

2. Oktober 2025:
Guter Fortschritt an einem warmen und sonnigen Herbsttag.

-------------------------------------------------------------------------------------

4. Oktober 2025:
Es geht voran. Nächste Aktion, der Kabelbaum. Parallel zu den Fahrwerksarbeiten habe ich die Gabelholme zerlegt, die "Innereien" kontrolliert, wieder zusammen gebaut und mit frischem Öl gefüllt. Die Räder sind auch schon einbaubereit. Dazu muss aber das Fahrwerk von der Werkbank gehoben werden.

-------------------------------------------------------------------------------------

8.Oktober 2025:
Habe gestern mit meinem Sohn unter Unterstützung eines hydraulischen Hubtisches die Saturno nach unten gehoben. Jetzt steht sie vorne/hinten auf Montageständer. So langsam wird es eng in der Werkstatt.

-------------------------------------------------------------------------------------

14.Oktober 2025:
Verkleidungshalter, Armaturen und Lampe montiert.

-------------------------------------------------------------------------------------

17.Oktober 2025:
Ich habe schon in der Schule und während des Studiums E-Technik gehasst. Ich bin Maschinenbauer, habe Schweißen, Bohren, Drehen, Fräsen etc. gelernt, aber "Strippen" ziehen, Nein Danke. So tue ich es mir mit dem Kabelbaum recht schwer. Zunächst die Suche nach einem optisch gut aussehendem Kabelbaum. Bis auf ein defektes Kabel für gut befunden. Leider hatte ich kein blaues Kabel als Ersatz und musste ein rotes Einlöten. Nach Montage und finaler Kontrolle der Anschlüsse stellte sich (witzigerweise) heraus, dass vorne ein Blinkerkabel fehlte???!!!. Was tun? Bei meiner erneuten Suche in meinem Teilefundus hatte ich das Glück noch einen weiteren Kabelbaum zu finden. Zweiter Versuch. Scheint zu klappen. Einige Anschlüsse muss ich noch gemäß Kabelplan aus dem Handbuch überprüfen. Nächster Schritt: Batterie anklemmen, Licht und Zündung überprüfen. Zündfunke?

-------------------------------------------------------------------------------------

21.Oktober 2025:
Heute 4 "schöne" Blinkergehäuse herausgesucht, gereinigt und mit neuen Replika Blinkerärmchen komplettiert.

-------------------------------------------------------------------------------------

Der kleine Schalthebel ist ja mit dem Haupthebel vernietet. Ich wollte einen nicht mehr so schönen Hebel gegen einen neuwertigen Hebel tauschen. Dazu muss der "Kopf" ausgebohrt werden. Danach kann man mit einem Dorn den Hebel herausschlagen. Zunächst hatte ich überlegt, den Hebel nur zu verkleben, dann entschied ich mich für doppelt genäht hält besser. M6 Gewinde geschnitten und mit einer Innensechskant-Halbrundkopf-Schraube zusätzlich fixiert. In diesem Zusammenhang auch noch die Fußrastenendkappe leicht überdreht und damit aufgehübscht.

-------------------------------------------------------------------------------------

Schon mal versucht einen Saturnotank komplett mit Benzin zu füllen? Der 20 Liter Tank verführt einen dazu, die Zapfpistole auf Anschlag zu stellen. Als ich es das erste Mal gemacht habe, spritzte gegen Ende das Benzin nur so aus dem Tankstutzen. Der Grund, ganz einfach. Warum der Tankdesigner dieses unsinnige Einfüllrohr vorgesehen hat? Keine Ahnung. In diesem Rohr sind ziemlich weit unten Entlüftungslöcher vorgesehen. Doch oberhalb dieser Löcher gehen noch mindestens 3 Liter Benzin mehr in den Tank. Und wohin soll die Luft entweichen? Sie sprudelt natürlich entgegen der Füllrichtung aus dem Tank und verursacht eine Benzinsauerei. Ich habe kurzerhand nachträglich, soweit oben als möglich, zusätzliche Löcher gebohrt, jetzt sprudelt nix mehr.

-------------------------------------------------------------------------------------

Tankgummis, Ergänzung:
Hatte vor ca. einem Jahr über die Anfertigung von Alternativ-Tankauflagern berichtet. Ebenfalls unter Verwendung von Ducati Gummis und Aluminiumlagerböcken. Unter Verwendung der unten genannten Ducati Auflagegummis kommt vorne der Tank etwas höher. Vorteil: Er kollidiert vorne/unten mit der Schweißnaht nicht mehr mit den Rahmenrohren. Ich musste daher das vordere Tankauflager in der Höhe anpassen. Statt Alu habe ich jetzt den Kunststoff POM verwendet. Spart sogar 32 Gramm an Gewicht 😉

-------------------------------------------------------------------------------------

Habe Alternativ-Tankgummis bei Ducati gefunden. Passen satt vorne unter den Tank und hinten unter die Naht. Original "schwebt" der Tank über den Gummis.

-------------------------------------------------------------------------------------

25.09.2025:
Chinaschrott. War mal eine abwertende Qualitätseinstufung gegenüber „Made in Germany“. Es hat sich über die Jahre einiges verbessert, doch es gibt immer noch viele Ausreißer. Habe mir über Ali Express für 10,49 € einen Satz Armaturen gegönnt. Habe mir heute die Kupplungsarmatur mal genauer angeschaut. Zunächst ist mir das schief geschnittene M8 Gewinde in der Kontermutter der Stellschraube aufgefallen. Außerdem ist der Kopf der Stellschraube zu klein um einen originalen Saturno Bowdenzug aufzunehmen. Eine Alternativstellschraube musste trotzdem auf 9,5 mm aufgebohrt werden. Damit diese passte musste das Gewinde in der Armatur nachgeschnitten werden. Die Länge der Stellschraube wollte ich erst nach Fertigstellung der Armatur kürzen. Dann ist ein recht primitiver Schalter montiert, aber für welchen Zweck bei der Kupplungsarmatur? Kurzerhand habe ich den Anguß für den Schalter und die Rückspiegelaufnahme abgesägt, braucht man an einer Saturno ja nicht. Jetzt kommt der eigentliche Hit. Ich habe leider erst zuletzt den Hebel ausgebaut und siehe da, es fehlt eine Hülse zwischen Hebel und Schraube. Ich unterstelle mal jetzt ganz freundlich, es ist keine konstruktive Absicht, sondern ein Montagefehler. Ganz „geschockt“ habe ich erstmals Pause gemacht und bin am überlegen, ob ich eine Buchse drehe oder gleich die ganze Armatur in den Müll werfe. Mal drüber schlafen.

-------------------------------------------------------------------------------------

Die chinesische "Kopie" der Domino Armatur, gefunden bei AliExpress. Ich habe mal eine bestellt zum Vergleichen.

-------------------------------------------------------------------------------------

26.08.2025: Gestern abgeholt, Restteile einer 500 cc Unfallsaturno. Ist auf die linke Seite gefallen mit entsprechend vielen Schrammen am Höcker und der Verkleidung, leider ist (natürlich) auch die Schwinge leicht eingedellt. Rahmen mit Brief und Motor wurden schon separat verkauft.

-------------------------------------------------------------------------------------

Stand Juni/Juli 2025:
Fortschritte zur GILGIVA II siehe unter Fotos zu den Gilera Videos, Film 73.

-------------------------------------------------------------------------------------

28.07.2025: Fertig!

-------------------------------------------------------------------------------------

25.07.2025:
Habe mich entschieden, die Bremszange in italienisch rot zu lackieren. Weiteres "Zubehör" eingetroffen: 1. Die passenden Entlüftungsschrauben finden sich nicht im Internet unter Grimeca, sondern unter MZ Motorrädern, diese hatten auch Grimeca verbaut, kosten je nach Anbieter ca. 3 € . 2. Probehalber auch automatische Entlüfterschrauben besorgt. 3. Die passenden 5,50 mm Stahlkugeln gem. Internet. 4. Die Gummikappen stammen von Brembo. 5. Das Bremsbelag-"Federblech" fand ich auch im Brembo Zubehör.

-------------------------------------------------------------------------------------

Es scheint im Zubehörhandel nur Alternativkolben in Alu zu geben, statt der originalen Kolben in Stahl gehärtet. Habe sie mit der Mikrometerschraube ausgemessen. 31,965 mm (original) zu 31,97 mm (Alu) = die neuen Kolben sind in meinem Fall 5/1000 mm größer, immerhin. Weiter geht’s.

-------------------------------------------------------------------------------------

22.07.2025:
Für eine Komplettrestaurierung habe ich eine ziemlich vergammelte Zange einer Gilera SP02 ausgesucht. Diese ist nicht geschwärzt, sondern golden lackiert. Zuerst habe ich versucht den Lack mit einer Heißluftpistole "aufzuweichen", ohne Erfolg. Das gewünschte Ergebnis erzielte ich durch mehrmaliges Auftragen von Farbbeize. Inzwischen sind teilweise einige bestellte Revisionsteile eingetroffen.

-------------------------------------------------------------------------------------

22.07.2025:
Habe vor einigen Tagen meine Ersatzteilkiste mit den gebrauchten Grimeca Bremszangen herausgekramt. Da war viel Schrott dabei, aber auch durchaus brauchbares, auf an die Arbeit! Der Schrott wurde "entsorgt" und der "Rest" zerlegt, ultraschallgereinigt, komplettiert und wieder zusammen gebaut. Als Ergebnis verbleiben 3 komplette Zangen und 3 Zangen ohne Beläge und Federspangen. Bin im Internet nach der Suche nach passenden Revisionsteilen.

-------------------------------------------------------------------------------------

21.07.2025:
Habe "stundenlang" im Internet nach neuen Haltestiften für die Bremsbeläge der Grimeca Zangen gesucht. Alle, die angeboten werden, sind zu kurz.
Ich habe jetzt mal ganz einfach den ersten Bund am Stift abgedreht um Länge zu gewinnen. Für die exakt passende Länge musste dann noch eine kurze Distanzhülse gedreht werden. Perfekt!

-------------------------------------------------------------------------------------

Die Lichtmaschinenrotore sitzen meist sehr fest auf den Kurbelwellenachsen. Ich empfehle daher bei einem Neuaufbau ein leichtes einfetten des Konus. Wer nicht im Besitz des originalen Rotorhaltewerkzeug ist muss den Abzieher festhalten und gleichzeitig die Abdrückschraube betätigen. Ich habe daher einen Gabelschlüssel umgeschweißt für die Aufnahme eines Verlängerungsrohres. Kann daher "bequem" auf der Fußraste abgestützt werden und die Hand ist frei für die Abdrückschraube.

-------------------------------------------------------------------------------------

Wie man ein so hübsches, italienisches (japanisches) Motorrad optisch (und auch technisch) versauen kann = Made in Germany. 1. Verlängerung des vorderen Schutzblechs. Kann ich persönlich noch nachvollziehen = Spritzschutz, Verhinderung Steinschlag Wasserkühler. 2. Verlängerung Kettenschutz = typische Schwabbellösung. 3. Verlängerung hinteres Schutzblech bis auf Mitte Hinterachse = der größte Fauxpas, ebenfalls Schwabbellösung. Zum Glück akzeptiert der deutsche TÜV in den letzten 20 Jahren auch die "originale", kurze Version.

-------------------------------------------------------------------------------------

Wollte an einem Saturnotank einen "Racing" Tankdeckel montieren und festgestellt, dass er einige mm kleiner im Durchmesser ist. Und zwar um genau des Spaltmaßes der Gummiabdichtung. Habe dann eine nagelneue Dichtung innen passend geschliffen. Von der "Schleiferei" sieht man ja nichts im eingebauten Zustand.

-------------------------------------------------------------------------------------

Aus Klassik Motorrad, Heft 2/2007 (Privatarchiv)

-------------------------------------------------------------------------------------

Doing silly things:
Die Lenkerendgewichte sind oft vermackt, aus welchen Gründen auch immer. Ich habe da auch noch einige in meinem Fundus. Was ist wenn man die Macken einfach verschleift? Gesagt, getan. Ein Gewicht auf die Drehbank gespannt und beim langsamen drehen zusätzlich mit dem Proxxon die beschädigten Stellen behandelt. Das klappt ganz prima, nur der feine Schleifstaub nervt. Ich habe aber noch einige Corona Masken. Die lassen sich für solche Arbeiten prima verwenden. Anschließend mit dem Schwingschleifer die Farbreste entfernt. Jetzt nur noch schwarze Farbe (oder rot?) aufgesprüht, fertig.

-------------------------------------------------------------------------------------

Spätestens ab einer Laufleistung von 40 Tkm sollte man beim Zahnriemenwechsel auch den Zustand der Antriebs- und Nockenwellenräder kontrollieren. Es klingt zwar recht unwahrscheinlich, dass ein Gummiriemen Aluminium bzw. Stahl verschleißt, aber es ist so. An den Zahnflanken entstehen scharfe Kanten, die die Lebensdauer eines Zahnriemens beeinflussen können, bis hin zu einem Riemenriß. Der Verschleiß darf nicht so groß werden, dass die Zähne des Zahnriemens "unten" aufliegen, was zu einem Überrutschen des Riemens führen könnte mit entsprechenden Folgeschäden. Wenn die Zahnhöhe noch ausreichend ist, kann man das Antriebsrad auch nochmals leicht überdrehen.

-------------------------------------------------------------------------------------

Bei den 350/500 Antriebsräder sind zwei M5 Gewinde zum Abziehen vorgesehen, bei den 560 Abziehern nicht, bedingt durch den dickeren Kurbelwellenzapfen. Auf jeden Fall zum Abziehen keinen "ordinären" Klauenabzieher verwenden. Damit kann man die Zähne beschädigen, siehe die ersten 3 Fotos. Es gibt im Fachhandel spezielle Zahnradabzieher mit extrem dünn gefertigten Klauen. Für die 350/500 Antriebsräder kann man sich leicht einen Abzieher selber anfertigen. Man kann natürlich auch das originale Spezialwerkzeug benutzen, siehe vorletztes Foto

-------------------------------------------------------------------------------------

Bei mir in der Werkstatt häufen sich abgebrochene "Nasen" an den Hinterradexzentern. Ich hatte dazu einige Gespräche mit Saturnobesitzern. Alle bestätigten, dass sie die Kettenspannung mit dem Hakenschlüssel aus dem Saturno Bordwerkzeug anpassen. Und alle bestätigten, dass sie in den letzten Jahren nie die Exzenter ausgebaut und gefettet haben. Ich habe schon Exzenter mit dem Gummihammer herausschlagen müssen. Aluminium und blanker Stahl gammeln mit der Zeit fest. Kein Wunder dass die Nasen bei Anwendung leichter Gewalt abbrechen. Mal ehrlich, dass Bordwerkzeug dient wirklich nur dazu, mal kurz auf einer langen Tour, gegebenenfalls die Kette zu spannen. Da die Exzenter, verspannt über die Achse mit dem Hinterrad eine Einheit bilden, wird die Kettenspannung ganz einfach über eine Knarre gespannt, siehe Film. Ich habe mir überlegt, was man mit den optisch nicht mehr so schönen Exzenter machen könnte und habe sie in der Drehbank "schön" gedreht. Gleichzeit noch zusätzliche "Erleichterungslöcher" gebohrt. Kann man mögen, muss man aber nicht.



-------------------------------------------------------------------------------------

Auflistung der elektrischen Ausrüstung aller BI4 Modelle (ohne Gewähr).
Wird ständig ergänzt (Fotoquelle: Internet/Privatarchiv)


Saturno 350/500:
- Zündschloss (ital.) 323075
- Begrenzer 328007 (Gehäuse schwarz)
- CDI 321366 (070000-1560, Gehäuse schwarz, Aufkleber schwarz/silber)
- Rotor 328423 (032000-6390)
- Stator 328239
- Pick-up 328240
- Zündspule 321825
- Kerzenstecker 328042
- Magnetschalter 939262
- Sicherungshalter 328044
- Ständer-CDI 322719
- Buzzer 316755
- Blinkrelais 322520
- Regler 328041
- Hupe 328038
- Anlasser (500) 328815

Saturno Rennsatz Begrenzer 939696 (328007, Gehäuse gelb)

Dakota 350/500 (ER):
- Zündschloss (ital.) 323075
- Begrenzer 328007 (Gehäuse schwarz)
- CDI 321366 (070000-1560)
- Stator 328239
- Zündspule 321825
- Kerzenstecker 328042
- Sicherungshalter 328044
- Buzzer 316755
- Blinkrelais 322520
- Regler 328041
- Hupe 328038

Dakota 350 (ER):
- Rotor 328238 (032000-5750)
- Stator 328239
- Pick-up 328240

Dakota 500 (ER):
- Rotor 328423 (032000-6390)
- Stator 328239
- Pick-up 328240

XRT 350:
- Zündschloss (ital.) 323075
- Begrenzer 328007 (Gehäuse schwarz)
- CDI 321366 (070000-1560)
- Rotor 328238 (032000-5750)
- Stator 328239
- Pick-up 328240
- Zündspule 321825
- Kerzenstecker 328042
- Sicherungshalter 328044
- Buzzer 316755
- Blinkrelais 322520
- Regler 328041
- Hupe 322962

Nordwest 350:
- Begrenzer 328007 (Gehäuse schwarz)
- CDI 321366 (070000-1560)
- Rotor 032000-6390
- Stator 328239
- Zündspule 321825
- Kerzenstecker 328042
- Regler 328041

Saturno 350/500

Saturno 350 (Japan)

Begrenzer 328007, CDI 321366 (070000-1560), Begrenzer 939696

Regler 328041

Rotornummer 032000-6390

Stator 328239 mit Rotor 032000-6390

Stator 328239 im 3-Loch Limadeckel

Pick-up 328240

Rotornummer 032000-5750

Stator 328293 mit Rotor 032000-5750

Zündspule 321825

Kerzenstecker 328042 (BERU/ZLE 301 1 kOhm)

Magnetschalter 939262

Sicherungshalter 328044

Ständer-CDI 322719

Buzzer 316755

Blinkrelais 322520

Hupe 328038

-----

XRT 600:
- Begrenzer 328803 (Gehäuse grau)
- CDI 321366 (070000-1560)
- Rotor 032000-6790
- Stator 328239
- Zündspule 328647
- Kerzenstecker 328042
- Regler 328041

Begrenzer 328803, CDI 321366 (070000-1560)

Rotornummer 032000-6790

Stator 328239 im 4-Loch Limadeckel

-----


Piuma 600:
- Begrenzer 939696 (328007, Gehäuse gelb)
- CDI 324435 (070000-1980, Aufkleber schwarz/silber)
- Rotor 032000-6960
- Stator 328239
- Zündspule 328647
- Kerzenstecker 328042
- Regler 328041

RC 600 (Blechtank):
- Zündschloss (ital.) 323075
- Begrenzer 324434 (070530-0020, Aufkleber schwarz/silber)
- CDI 324435 (070000-1980, Aufkleber schwarz/silber)
- Rotor 032000-6960
- Stator 328239
- Zündspule 328647
- Kerzenstecker 328042
- Hupe 324564
- Regler 328041

Begrenzer 324434 (070530-0020), CDI 324435 (070000-1980)

-----

RC 600 R:
- Begrenzer 946075 (Aufkleber blau/silber)
- CDI 324917 (946 788, Aufkleber blau/silber)
- Rotor 032000-6960
- Stator 328239
- Zündspule 328647
- Kerzenstecker 328042
- Hupe 324564
- Regler 328041

RC 600 C:
- Zündschloss 324918
- Begrenzer 946075
- CDI 324917 (946 788)
- Rotor 032000-6960
- Stator 328239
- Zündspule 328647
- Kerzenstecker 328042
- Hupe 324564
- Regler 328041

Nordwest 600:
- Zündschloss 946572
- Begrenzer 946075
- CDI 324917 (946 788)
- Zündspule 328647
- Kerzenstecker 328042
- Hupe 324564
- Magnetschalter 328804
- Regler 328041

bis Fahrgestellnummer 228-51390
- Rotor 032000-6960
- Stator 328239
ab Fahrgestellnummer 228-51391
- Rotor 037000-2950 (induktiv)
- Stator ?

Begrenzer 946075, CDI 324917 (946 788)

Rotornummer 032000-6960

Pick-up 324433 für Rotor 032000-6960 und CDI 324435 (070000-1980) mit 3 Kabeln

Optisch gleiche Pick-Ups aber mit 2 (induktiv) bzw. 3 Ausgangskabel

Zündspule mit einem Kabelanschluss 328647

-----

Rotornummer 032000-2950 (induktiv)

Stator induktiv

Zündspule induktiv (2 Kabelanschlüsse)

Magnetschalter 328804

-----

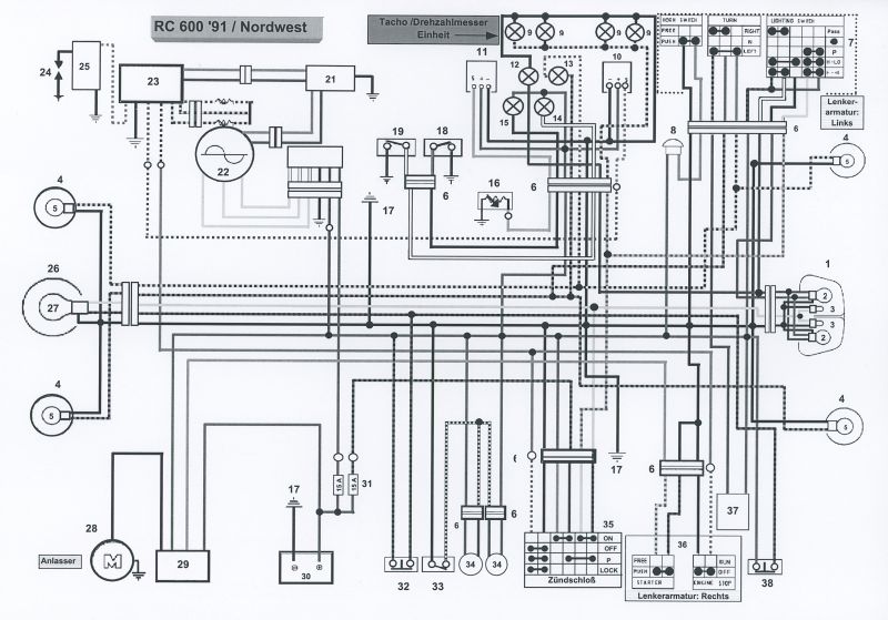
Schaltplan RC 600, Nordwest Baujahr 1991 (Doppelscheinwerfer)

Schaltplan RC 600 (induktiv)

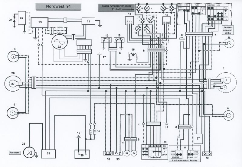
Schaltplan Nordwest Baujahr 1991 (Einfachscheinwerfer)

Schaltplan Nordwest (induktiv)

-------------------------------------------------------------------------------------

Die Lage der Kühlwasserkanäle in den 1- bzw. 2-Portköpfen ist unterschiedlich. Daher haben auch die Kopfdichtungen zwei verschiedene Positionen der kleinen Kühlwasserbohrungen. Sollte ein Saturnokopf auf einen 560 cc Rumpf montiert werden müssen in die Kopfdichtung auch noch die "passenden" Löcher gebohrt werden, sonst wird der Kühlwasserstrom blockiert.

-------------------------------------------------------------------------------------

Die kleine "Wasserkammer" bei den Saturnoköpfen wird von der Kopfdichtung abgedeckt und ist somit nicht mit dem Kühlsystem verbunden. Ich bohre daher je 2 x 5 mm Löcher in die Seiten. Vielleicht hilft es ja etwas zu verbessern 😉

-------------------------------------------------------------------------------------

Undichte Ölschaugläser lassen sich überwiegend auf ein zu festes Anziehen der beiden M 5 Schrauben zurück führen. Im Laufe der letzten Jahre gab es schon einige Replikas, teils mit Metallgehäuse, teils aus dickerem Kunststoff. Ein Foto des 750 cc BI4 Motors hat mich für einen Eigenbau inspiriert mit einer Alugrundplatte und einem eingeschraubten Industrienormglas. Für Rennstreckenverwendung mit einer zusätzlichen Drahtsicherung.

Nachfolgend noch eine Variante mit "Erleichterungsbohrungen".

-------------------------------------------------------------------------------------

An einigen älteren, japanischen Motorrädern sind Nissin Bremspumpen verbaut mit einem Befestigungsabstand von 50 mm, wie die originalen Grimeca Saturno Pumpen. Diese Nissin Pumpen kann man relativ günstig (gebraucht) erstehen und für die Saturnos umbauen. Allerdings muss die Gehäusekontur passend zum Fußrastenträger nachgefräst und das Betätigungsgestänge angepasst werden. Ich habe auch schon an Pumpen den Nissin Schriftzug und die Kolbengröße wegpoliert und das Gehäuse schwarz lackiert. So fällt der Unterschied nicht so sehr auf. Ich habe schon einige Saturnos auf Nissin umgerüstet und selber gefahren. Die Pumpen arbeiten einwandfrei und können als kostengünstigen Ersatz für defekte Grimecas dienen.

PS: In meinem Store biete ich Brembo Pumpen mit 50 mm an. Das Gehäuse ist marginal länger als die Grimeca Pumpe und man muss das Gestänge ebenfalls leicht anpassen.

-------------------------------------------------------------------------------------

21.05.2025:
Die Fertigungstoleranzen (Mittenabstand) zwischen der Blechhalterung und den Laschen am Rahmen ist manchmal erheblich. Als ich bei meiner ersten Saturno noch nicht darauf geachtet habe, ist mit beim Anziehen der M 6 Schrauben eine Lasche abgerissen. Ich habe dann oben und unten Zwischenrohre eingeschweißt, brutal, aber effektiv, das hält bombenfest. Eine andere Möglichkeit ist die Blechlasche zu zersägen und in zwei Einzelteilen zu montieren.

-------------------------------------------------------------------------------------

21.05.2025:
An einer Saturno mit elektronischem Drehzahlmesser wollte ich die Antriebsschnecke gegen einen Alustopfen tauschen. Die Antriebsschnecke lagert im Kopf auf einer gehärteten Scheibe. Diese klebt aber im Kopf meist im Öl fest. Ich habe mir an eine Alustange einen Magneten geklebt der in der Größe genau in die Öffnung passt. Mit dem Magneten konnte ich die Scheibe leicht herausfummeln. Fehlte nur noch das Halteblech. Das habe ich aus einem Alu L-Profil gebastelt. Leider war ich zu faul eine "genaue" Kopie zu machen. Form follows function ;-0

-------------------------------------------------------------------------------------

19.05.2025:
Habe heute einen Anlasser mit einer "abgesprengten" Halterung zugeschickt bekommen. Wo schiere Kräfte sinnlos walten. Ich habe aber auch einen Anlasser im meinem Fundus mit einem kuriosen Läuferschaden (und intaktem Gehäuse). Aus 2 mach 1, gesagt, getan. Der Austausch des Deckels geht relativ schnell. Allerdings musste ich auch das Antriebszahnrad tauschen, es waren einige Zähne beschädigt. Ein Funktionstest war auch schnell gemacht, einfach eine Batterie anklemmen und schon schnurrt der Anlasser los.

Achtung:
Falls der Motor beim Anlassen nicht gleich anspringt, bitte das Anlassersystem immer erst auslaufen lassen. Nicht gleich in den auslaufenden Anlasser wieder den Startknopf drücken. Ansonsten können sich die Zahnräder nicht sauber "sortieren" und es kann zu Defekten im System kommen, bis hin zu Gehäusebeschädigungen!

-------------------------------------------------------------------------------------

19.05.2025:
Aus "Mangel" an zweiteiligen Saturno Zahnriemenabdeckungen habe ich mir einen Deckel zurecht gesägt. Die Schnittstellen kann man prima mit einem Schwingschleifer glätten und für das Entfernen der Schneidgrate gibt es geeignete Schleifmittel.

-------------------------------------------------------------------------------------

18.05.2025:
Hatte schon seit längerer Zeit zur Begutachtung einen Saturnomotor auf der Werkbank stehen, der zwar astrein lief, aber Kühlwasser mit verbrannte. Bis auf einen auf 41 mm vergrößerten Einlasskanal und gekürzten Ventilführungen sieht der Motor optisch wie ein normaler Saturnomotor aus. Die erste Überraschung erfolgte beim Lösen der Zylinderkopfmuttern, sie waren nur leicht handfest angezogen. Hatte da der Vorbesitzer vergessen mit dem richtigen Drehmoment zu arbeiten. War das schon die Ursache für die Kühlwasserundichtigkeit? Nächste Überraschung erfolgte nach Abnahme des Kopfes. Ein 100 mm Kolben ist verbaut, eine Kopfdichtung aus Aluminium und eingedrehte Nuten für O-Ringe in Zylinder und Kopf. Ventile mit 36/31 mm Durchmesser und Nockenwellen mit Kennung A/S, aber mit keinem Serienprofil. Tatsächlich zeigte die Kopfdichtung an einer Stelle etwas Feuchtigkeit und auf dem Kolbenboden war eine „Pfütze“ Wasser, es waren aber sonst keine optischen/mechanischen Mängel zu erkennen. Ich habe daher entschieden, den Motor wieder zusammen zu bauen und die Muttern der Zuganker statt mit 35 Nm, mit 45 Nm anzuziehen. Im Saturnokopf, unterhalb des Einlasskanals, ist eine nicht vom Kühlwasser angeströmte „Tasche“ eingegossen. Ich bohre sie immer an. Ob das irgendeinen Effekt erziehlt, keine Ahnung. Da das Fahrzeug für einen Rennstreckeneinsatz vorgesehen war (kein Anlasser) habe ich auch gleich das Kühlwasserthermostat ausgebaut und den Anwärmbypass mit Stopfen verschlossen.

-------------------------------------------------------------------------------------

19.05.2025:
Unterschiedliche Brennraumformen zweier Saturnoköpfe mit identischen Gußnummern.
M. E. könnte der O-Ring Kopf ein originaler Piuma Kopf sein, was auch die Ventilgrößen 36/31 mm und der 41 mm Einlasskanal vermuten lassen. Allerdings ist ein Piumakopf schwarz lackiert, dieser trägt das grau eines Saturnokopfes. Nachträgliche Schweißarbeiten für die Umgestaltung des Brennraums sollte man eigentlich erkennen. Jedenfalls sind die Arbeiten höchst professionell ausgeführt.

-------------------------------------------------------------------------------------

20.05.2025:
Der Motor mit einem 41 mm Einlasskanal war "nur" mit einem 40 mm Mikuni Flachschiebervergaser bestückt. Ich habe in meinem Fundus einen 41 mm Keihin gefunden. Das Übergangsstück ist noch vorläufig und muss noch optimiert/gekürzt werden.

25.06.2025
Jetzt mit dem "richtigen", großen K&N.

-------------------------------------------------------------------------------------

21.05.2025:
Kennt jemand noch den Trick Dichtungen zu "hämmern"/"schlagen"? Hat mir mein Vater vor über 60 Jahren beigebracht. Aus einem Bogen Dichtungspapier wurden sogar Motordichtungen gefertigt. Mehr Informationen übers Internet. Habe mein Eigenbauölschauglas montiert.

-------------------------------------------------------------------------------------

17.05.2025:
Einen 560 cc Motor in das Saturno Fahrwerk eingebaut und vergessen die einteilige Zahnriemenabdeckung gegen die zweiteilige Saturnoabdeckung zu tauschen. Demontage der Abdeckung im eingebauten Zustand fast unmöglich ohne sie zu zerstören. Ich habe eine "Lösung" gefunden unter Demontage des Thermostatgehäuses und des Kühlwasserschlauchs.

-------------------------------------------------------------------------------------

17.05.2025:
Warum habe viele Saturnos an einer bestimmen Rahmenstelle Lackschäden? Passiert wenn man beim Lösen der Zahnriemenabdeckung unvorsichtig mit dem Innensechskantschlüssel über den Lack schrappt. Tauscht man die Innensechskantschraube gegen eine Sechkantvariante aus, kommt der Schraubenschlüssel nicht mehr in die Nähe des Rahmens.

-------------------------------------------------------------------------------------

17.05.2025:
Schon vor 30 Jahren hörte ich von einem schlimmen Unfall, als sich an einer Saturno die Kickstarterschraube löste und sich Motoröl auf dem Hinterradreifen verteilte. Neben dem Einkleben mit Loctite sichere ich die Schraube noch zusätzlich mit Draht.

-------------------------------------------------------------------------------------

Alle BI4 mit zwei separaten Kühlern:
Eigentlich fehlt m. E. am linken Kühler eine Hochpunktentlüftung. Das vollständige Füllen mit Kühlwasser kann man eigentlich nur dann erreichen, wenn man das Motorrad leicht nach links kippt, damit der linke Kühler vollständig volllaufen kann. Ich habe daher probehalber im Schlauchbogen über dem Rahmenrohr eine separate Entlüftungsstelle vorgesehen. Der Verbindungsschlauch ist direkt über den Rahmenrohr der eigentliche Hochpunkt im System.

-------------------------------------------------------------------------------------

Alle BI4:
Die Zubehör-ATHENA-Kopfdichtungen sind gegenüber den originalen GOETZE Dichtungen ungenau gefertigt. Speziell sind die Löcher für die Passbuchsen zu eng. Eine Kopfdichtung sollte leicht auf die Dichtfläche fallen, damit sie beim Anziehen in Position "schwimmen" kann. Ich empfehle daher die 4 Löcher für die Zuganker leicht größer zu schleifen. Die Gefahr besteht, dass sich eine ohne Änderung verbaute ATHENA "wellt" und zu Undichtigkeiten führen könnte.

-------------------------------------------------------------------------------------

Bei meinen "Rennerles" verwende ich teilweise das digitale VAPOR Multimessgerät.
Misst u. a. Drehzahl, Geschwindigkeit, Kühlwassertemperatur.
Kostet allerdings inzwischen, einschl. Versand, um die 200 €
(es gibt natürlich auch günstigere Alternativen).

-------------------------------------------------------------------------------------

Habe schon seit einiger Zeit zwei "niedliche" KOSO Anzeigegeräte für Wassertemperatur und Motordrehzahl liegen. Was fehlt zum Einbau ist ein Adapter für den Temperaturfühler. Den könnte man auch für viel Geld, hübsch eloxiert, kaufen. Ich habe allerdings entschieden, einen Adapter selber zu bauen. Gefunden habe ich zwei Kunststoff T-Stücke + zwei Kühlwasserfühler, die als Basis für einen Eigenbau dienen sollten.
Die Fühler mit konischem M 10 x 1 mm Gewinde habe ich auf zylindrisch M 10 x 1 mm umgeschnitten. Passende Alueinsätze waren schnell gedreht, mit UHU-Plus eingeklebt und im Ofen bei moderaten Temperaturen aushärten lassen.

-------------------------------------------------------------------------------------

Gilera Saturno, Teil 1:
Mal auf die "Schnelle" ein Schaltgestänge gefertigt. Hatte allerdings nur noch einen 12 mm Rundstab und musste auf 10 mm abdrehen. Was man übers Internet an Halbzeugen kaufen kann ist ja kein "reines" Aluminium, sondern zusammengeschmolzenes Zeugs. Das merkt man ganz deutlich bei der Bearbeitung. An einigen Stellen rattert der Drehstahl, erzeugt Riefen und an anderen Stellen wird eine glatte Oberfläche erzielt. Da half nur das Nachpolieren mit 600 er Schleifpapier.

-------------------------------------------------------------------------------------

Gilera Saturno, Teil 2, Schaltgestänge:
Habe tatsächlich im Internet über einen französischen Motorradteilelieferanten in der Länge passende Schaltgestänge gefunden. Vermutlich Ursprungsland China. Leider nur in schwarz eloxiert erhältlich.

-------------------------------------------------------------------------------------

18.05.2025:
Mehr aus Langeweile habe ich aus einem 10 mm Alurundstab mal auf die Schnelle 2 Saturno Schaltgestänge "gezaubert". Je 20 Minuten, fertig. Als "Gewichtstuning" habe ich bei einem Gestänge schmale M 6 Muttern nach DIN 439 verbaut, spart 2 Gramm ;-0

-------------------------------------------------------------------------------------

23.04.2025: Besuch eines finnischen Saturnobesitzers (wohnt aber in den NL, eine Autostunde von mir entfernt) in Garagien mit der Bitte "mal einen Blick" über seinen 560 cc (Race Track) Umbau zu werfen. Zunächst haben wir die Leerlaufdrehzahl von 3000 rpm (?) auf 1500/1800 rpm reduziert. Sollte bei betriebswarmen Motor nochmals fein nachjustiert werden. Der Motor verschluckte sich aber bei spontanem Gasgeben, ging sogar aus. Die Vergasereinstellung haben dann an meine Erfahrungswerte angepasst und siehe da, jetzt schnallste der Motor auch bei vollem Gasaufreißen über das volle Drehzahlband nach oben durch.
Allerdings sind noch einige Restarbeiten zu erledigen. So bleibt die Saturno erstmal bei mir in Saturnoland stehen. Wird fortgesetzt.

Finnischer "Schmierstoff"

28.04.2025:
Um unabhängig von einer externen Startmaschine zu werden, soll eine Anlasser verbaut werden. Kurioserweise waren 2 von 3 Tellerscheiben gebrochen. Jetzt muss ich mich um die elektrische Seite kümmern.

Zwischenstand 09.05.2025:
Das Ölschauglas hat einen kleinen Riß und muss ausgetauscht werden. Die Ölablassschraube habe ich angebohrt zwecks Sicherung mit Draht (Rennstreckenvorgabe). Ein neuer Start-Killschalter ist verlötet und mit der Elektrik verbunden. Die Masseanschlüsse am Rahmen hatten m. M. zu viel Farbe und wurden blank geschliffen. Die Verlegung der Elektrik habe ich etwas "aufgehübscht". Die Überlaufschläuche der Doppelvergaser lassen sich leicht verbinden und verlegen mit kleinen Stückchen von Schrumpfschlauch. Der verlegte Gaszug hatte an einem Ende einen Schraubnippel. Aus meinen eigenen schlechten Erfahrungen mit Schraubnippel habe ich einen neuen Bowdenzug mit Lötnippeln gefertigt.

-------------------------------------------------------------------------------------

Stand 12.05.2025:
Funktionstest Elektrik erfolgreich bestanden.

-------------------------------------------------------------------------------------

29.04.2025:
Obwohl die beiden Saturnos schon 1 1/2 Wochen nebeneinander stehen ist mir der Unterschied in den Reifenbreiten erst heute aufgefallen. Beide haben einen 150/60 montiert, links auf einer originalen 4" Felge mit einer gemessenen Breite von 140 mm. Rechts auf einer auf 5" verbreiterten Felge mit einer knapp 160 mm Breite. Fazit: Die originale Felge ist zu schmal für einen 150iger Reifen. Ein 140iger wäre völlig ausreichend.

-------------------------------------------------------------------------------------

30.04.2025:
Im Nachgang noch 2 Fotos von einer Saturno mit einem 140iger Hinterradreifen. Breite mit ca. 138 mm gemessen = völlig ausreichend.

-------------------------------------------------------------------------------------

30.04.2025: Reparatur Tankdeckel.
Der Saturno Tankdeckel ist von den Innereien her identisch mit z. B. Cagiva Mito, Ducati, Yamaha etc. Einen Saturno Tankdeckel ohne Schlüssel kann man retten, indem man Yamaha Teile einbaut. Am Beispiel eines Cagiva Mito Tankdeckels ohne Schlüssel habe ich diesen Umbau gemacht. Den Yamaha Tankdeckel habe ich beispielhaft in einen Saturnotank montiert.

-------------------------------------------------------------------------------------

04.05.2025:
Habe schon seit Jahren eine selbstgefertigte Gabelbrücke mit einem 12 mm weiterem Standrohrabstand liegen. Ich habe sie mit einigen Gilerateilen übernommen, sie stammt wohl ehemals von einer SoS Saturno. Der Grund für die geänderte Geometrie ist mir nicht bekannt. Vermutlich war ein spezielles Vorderrad verbaut. Ich habe die Gabelbrücke mit Serienteilen komplettiert. Neu angefertigt mussten Abstandsbuchsen für die Achse und 6 mm Buchsen für die Bremszange, sowie eine breitere Schutzblechbrücke. Die Schutzblechbrücke muss noch final gebohrt werden.

-------------------------------------------------------------------------------------

05.05.2025:
Gabelbrücke fertig gebohrt, müsste noch aufgehübscht = poliert werden.
Passt, wackelt und hat Luft = einbaufertig.

-------------------------------------------------------------------------------------

Allgemeines zu Wellendichtringen (Quelle: Internet)

Beispiel Wellendichtring BI4 Kurbelwelle, linke Gehäusehälfte

-------------------------------------------------------------------------------------

Weitere Alternativen (Quelle: Internet)

-------------------------------------------------------------------------------------

Produkt-Kategorien